Il Super Audio CD, sin dalla sua comparsa 15 anni or sono, ha riscosso l’approvazione di gran parte degli appassionati del suono ad alta fedeltà. I segnali monobit da essi utilizzati (comunemente chiamati DSD) sono oggi disponibili anche indipendentemente da questo supporto fisico ed anche a frequenze di campionamento multiple rispetto a quella del SACD. È quindi importante sapere che per ottenere un brano musicale codificato secondo le tecniche del singolo bit occorrono sofisticate operazioni matematiche, svolte all’interno di quello stadio di elaborazione che prende il nome di modulatore sigma-delta, e i risultati di questo processamento possono essere molto differenti a seconda dell’algoritmo matematico adottato.
Nella prima puntata di questa monografia abbiamo esaminato alcuni problemi teorici della conversione verso i segnali monobit, o DSD che dir si voglia. Abbiamo poi analizzato i modulatori disponibili nei software commerciali, osservando differenze a dir poco rilevanti – 70 decibel! – nei livelli di rumore e distorsione residua. Ora integriamo sia l’indagine teorica, discutendo del silence-pattern, sia quella delle prestazioni dei modulatori commerciali, soprattutto in relazione al tema della risposta in frequenza. Infine, presentiamo i risultati dell’analisi di svariate registrazioni commerciali di rango audiofilo, disponibili come Super Audio CD oppure come file DFF/DSF reperibili in rete.
Riassunto delle puntate precedenti
Campionare un segnale analogico significa sostituire ad una funzione continua un insieme di numeri che ne rappresentano i valori (tipicamente a intervalli equidistanti). Il Teorema del Campionamento è solo un risultato teorico di Analisi Matematica, ed esistono infiniti modi di applicarlo in pratica. Deve prevedere una durata finita del segnale e una rappresentazione dei numeri con precisione finita; chiaro che non si può parlare di suono di un segnale digitale, quello che suona è il segnale analogico dopo una conversione digitale/analogica e ai fini della qualità si deve tenere conto sia del formato che delle tecniche di conversione.
Un altro punto importante, soprattutto sul piano commerciale, è la possibilità di convertire un formato in un altro; questa operazione può sempre solo peggiorare la qualità del risultato finale, nella migliore delle ipotesi lasciarla inalterata.
Il passaggio da un segnale PCM multibit ad un segnale PCM a un solo bit (DSD) ha un senso logico essenzialmente in due casi:
- per gli audiofili nel caso la sezione di conversione DSD/analogico delle loro apparecchiature sia migliore della sezione di conversione PCM/analogico, e questo è spesso il caso della riproduzione dei file 16/44 estratti da CD;
- per le case discografiche, quando la registrazione nativa è in PCM e si vuole commercializzare un SACD o file DSD.
Nella puntata precedente abbiamo studiato la risoluzione e il rumore dei principali modulatori usati per questa conversione; questa volta ci concentriamo sulla risposta in frequenza. Rivediamo cosa succede a digitalizzare un segnale continuo.
Consideriamo una funzione s(t) limitata in banda tra 0 e f0. Sia sc(t) la funzione campionata con frequenza Fc = 2 f0, la sua trasformata Sc(2p f) è periodica e consiste nella ripetizione infinita della parte di trasformata compresa tra le linee rosse. Il fatto che s(t) sia limitato in banda garantisce che non si presenti il fenomeno dell’aliasing (comparsa di frequenze fantasma). Se la funzione da campionare non è limitata in banda per evitare il fenomeno dell’aliasing si deve filtrarla passa-basso prima di digitalizzarla; questa operazione è particolarmente critica se la frequenza f0 (detta frequenza di Nyquist) è vicina al limite della banda desiderata: un filtro analogico ad alta pendenza crea problemi di fase; un filtro a bassa pendenza butta via anche un po’ di bimbo insieme all’acqua sporca, tagliando anche le alte frequenze del segnale musicale. Un altro vantaggio di una frequenza di campionamento elevata è la possibilità di applicare il Noise-Shaping che sposta il rumore ad alta frequenza riducendolo in banda audio. In ogni caso, al momento della conversione DA è assolutamente indispensabile applicare un filtro anti-immagine con le stesse problematiche (problemi di fase, problemi di bimbo) del filtro antialias.
Il problema del silenzio
Astraendo dalle problematiche del rumore, trattate il mese scorso, un segnale DSD64 (quello del SACD) ha una risposta teorica di 64 x 22050, ovvero 1.4112 MHz. Ma a parte il fatto che neppure il più audiofilo dei pipistrelli arriva a quelle frequenze, un minimo di considerazioni matematiche mostra come il problema della risposta in frequenza non può essere disgiunto da quello del rumore.
Un segnale DSD è un’onda quadra con valori tra -1 e 1 (considerarla tra 0 e 1 produrrebbe gli stessi risultati solo con maggiori complicazioni matematiche). La sua potenza (ovvero l’integrale del suo quadrato) è esattamente 1; ragionando in termini di decibel, se poniamo lo 0 dB come il valore di potenza di una sinusoide al clipping, ogni segnale DSD ha sempre una potenza esattamente di +3 dB.
Questo pone il primo problema interessante: come si fa a rappresentare un segnale nullo (ovvero a potenza zero) con un segnale a potenza 1? Per rispondere bisogna tornare al punto fondamentale: il significato audio di un segnale digitale si può avere solo dopo aver stabilito il processo di conversione.
La conversione di un segnale DSD in analogico (o in PCM) si ottiene con un filtraggio passa-basso (o una media mobile o un integratore che sono in pratica la stessa cosa). Questo vuole dire che la parte interessante del segnale DSD è la prima parte del suo spettro modificata dal filtro passa-basso (che non è necessariamente piatto a bassa frequenza e non lo è certamente nel passaggio tra la pass-band e la stop-band). Si noti che questo filtro agisce MOLTO prima della frequenza di Nyquist (tipicamente 20-30 kHz invece che 1,4 MHz) e quindi funge anche da filtro anti-immagine.
Un segnale nullo quindi dovrà essere rappresentato in DSD come un segnale a potenza totale +3 dB in cui nella parte bassa dello spettro la potenza è pressoché nulla e nella parte restante vi è solo tanto tanto rumore. Vi sono due modi per ottenere questo:
- nei pianissimo e nelle pause registrate il modulatore di rumore genera automaticamente un segnale di questo tipo;
- quando si vuole inserire un silenzio artificiale si usa un cosiddetto silence-pattern che consiste in una sequenza di byte tutti uguali con la proprietà che il numero di bit a 1 in ogni byte è esattamente 4. Il vantaggio di questa soluzione è che il silence-pattern si può usare anche come pattern di sincronismo.
È interessante vedere cosa succede con i programmi di conversione da noi provati. Per questo basta analizzare come viene reso il segnale PCM composto di soli zeri (Fig. 1). Come si vede il Noise-Shaping riveste un ruolo essenziale nella rappresentazione di segnali DSD perfino per il segnale nullo e vi sono infinite possibilità per la sua applicazione. Adesso reggetevi forte che entriamo un po’ in dettaglio.
Il Noise-Shaping per i segnali DSD
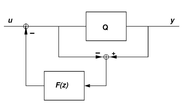
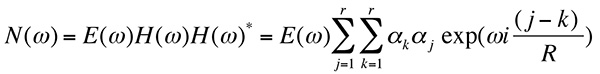
Sia x(n) un segnale campionato con R campioni/sec che deve subire un processo di riduzione ad un bit. Intendiamo studiare l’implementazione di un algoritmo di Noise-Shaping, senza dither, strutturato come segue (Fig. 2).
Sia F[z] un filtro FIR con coefficienti α1, α2, …, αr la risposta è:
dove:
Si dimostra facilmente che il rumore totale viene amplificato di un fattore:
La potenza del rumore ad una determinata frequenza f =ω/2π vale:
Supponendo che lo spettro di E(ω) sia bianco, una volta fissata una banda di interesse (0,F) si può modellare il rumore minimizzando l’integrale:
Per non fare le cose troppo semplici si può anche tenere in considerazione il fattore G oppure introdurre un funzione di pesatura. Purtroppo la coperta del Noise-Shaping è bella calda ma decisamente piccola, infatti:
- se si allarga la banda utile aumenta il rumore e viceversa;
- se si aumenta il numero dei coefficienti aumentano i problemi di stabilità e l’errore numerico. Infatti, dovendo implementare le equazioni con un’aritmetica finita, l’errore numerico pone un limite al numero dei coefficienti e quindi alla riduzione possibile del rumore di quantizzazione;
- aumentando R al momento della registrazione nativa, la coperta si allarga, raddoppiando la frequenza di campionamento (passando per esempio da DSD64 a DSD128) e utilizzando gli stessi coefficienti si ottengono gli stessi grafici ma su una scala di frequenze raddoppiata (ovvero quello che prima si otteneva tra 0 e 20 kHz ora si ottiene tra 0 e 40 kHz);
- NB: nulla di buono invece si ottiene sovracampionando un file già esistente: prendendo un SACD e raddoppiando in qualche modo la frequenza di campionamento si ottiene un DSD128 che forse sarà più facile da suonare ma che non può essere migliore dal punto di vista della risposta in frequenza e della risoluzione.
Alla ricerca del modulatore perduto
Nella prima puntata abbiamo constatato che le prestazioni dei modulatori oggi disponibili (almeno di alcuni, che includono però il meglio che finora è stato rilasciato a livello di software) cambiano enormemente quantomeno a livello di rumore e distorsioni residue, con un dislivello tale che per i più semplici la qualità scende al di sotto del livello CD e per i migliori (tecnicamente migliori, qui stiamo parlando ovviamente solo di dati oggettivi) sale al di sopra della risoluzione PCM a 24 bit. A questo punto ci è venuta ovviamente voglia di analizzare segnali DSD reali (Super Audio CD e file DFF/DSF reperibili in rete), per cercare di capire:
1) quali sono i modulatori più tipicamente usati nella realtà dell’industria audio;
2) se la registrazione denotava dei limiti che non sono quelli propri del formato DSD.
Per il punto (1) la soluzione non è difficilissima. Un brano musicale in un formato DSD può essere stato registrato come DSD nativo oppure convertito da un PCM, ma in tutti i casi il noise shaping del modulatore impiegato rappresenta una specie di “impronta digitale”, confrontabile con quelle che abbiamo ricavato dall’analisi degli algoritmi di conversione. In qualche caso, all’inizio o alla fine di una registrazione, è stato possibile vedere la “forma” del rumore in banda audio (e quindi riconoscere il modulatore) semplicemente perché la registrazione vera iniziava dopo o finiva prima del file DSD, ma nella maggior parte dei casi no. Tuttavia ciascun modulatore differisce dagli altri sia nella banda fortemente ultrasonica sia – e soprattutto – nella banda di “transizione” (termine che qui è tecnicamente scorretto ma che rende bene l’idea del passaggio da alta a bassa qualità), ovvero sulle prime ottave ultrasoniche, ovvero da 20 fino ad un centinaio di kHz. Ed è proprio qui che abbiamo quindi concentrato l’attenzione.
Abbiamo preso in considerazione 14 tracce di altrettanti SACD in commercio, più 3 file DSF demo scaricabili gratuitamente dal sito di High Definition Tape Transfer (http://www.highdeftapetransfers.com/page.php?wid=27). Tredici di questi brani sono di musica classica e 4 di genere rock. Quattordici modulatori e 17 brani fanno 14×17=238 combinazioni possibili, che sono state analizzate calcolando la distanza tra gli spettri in termini di somma dei minimi quadrati, a meno di un aggiustamento di livello. In 11 casi il modulatore è stato identificato con un alto grado di confidenza, 3 casi sono dubbi e negli ultimi 3 il modulatore era molto probabilmente diverso dai 14 che abbiamo esaminato.
Nelle Figure da 3 a 19 possiamo vedere gli spettri del segnale musicale (in blu, da 0 a 120 kHz) e la “firma” ultrasonica del modulatore sigma-delta che meglio collima con quello (in rosso, da 40 a 120 kHz). Le associazioni sono riportate in Tabella 1, ordinate per classica-rock e poi per data di pubblicazione; su fondo giallo sono riportati i casi dubbi e sconosciuti.

Elenco dei brani analizzati, ordinati per genere (classica-rock) e per data di pubblicazione. Sulle due colonne di destra sono riportati il modulatore identificato e l’errore RMS rispetto ad una sovrapposizione ideale. I casi dubbi e sconosciuti sono riportati su fondo giallo.
Limitandosi ai soli risultati più affidabili, risulta quindi che sono stati impiegati perlomeno questi modulatori:
- Philips SD A
- Philips SD D
- Korg Audiogate
- Weiss SaraCon 8
E se torniamo alla puntata precedente, dove abbiamo riportato i valori di risoluzione e gamma dinamica intrinseci di tali algoritmi, ne deriva che i limiti tecnologici di tali registrazioni differiscono per 54,8 dB in termini di risoluzione (9,1 bit) e 60,3 dB per gamma dinamica. Ricordiamo che 60 dB significa una divergenza da 1 a 1.000, ovvero 3 ordini di grandezza. Naturalmente ciò non significa in automatico che la registrazione in cui è stato usato il modulatore più rumoroso sia quella che suona peggio (chi scrive al momento non conosce l’esito completo dei test di ascolto, effettuati da redattori specialisti in questa materia). A parte tutta una serie di fattori afferenti a ragioni di ordine generale (strumentazione analogica impiegata, acustica, perizia, etc. etc.), il tecnico del suono che ha scelto il modulatore tecnicamente più limitato potrebbe anche averlo fatto perché lo riteneva il più bensuonante (per quanto, ad esempio, la stessa Philips forniva una classifica di qualità dei suoi modulatori, perfettamente coerente con i risultati tecnici che abbiamo trovato noi). Tuttavia è bene sapere che le prestazioni oggettive dei modulatori in commercio divergono (perlomeno) per le quantità che abbiamo appena indicato, e – sempre per rimanere nell’ambito della terminologia asciutta dei tecnici – si può supporre che ciò, rispetto a quanto arriva alle nostre orecchie, qualche influenza possa avercela. Anche perché – ovviamente è sempre una deduzione effettuata per analogia – molte delle caratterizzazioni che gli audiofili sovente trovano tra componenti diversi determinano, dal punto di vista meramente quantitativo, differenze molto meno eclatanti di queste.
Per il punto (2) l’indagine possibile è molto più limitata, ma non per questo ha portato a risultati poco significativi. Da un segnale musicale non condizionato non si può inferire con certezza né la distorsione né il rumore, ma la risposta in frequenza sì, e se questa risulta limitata si può facilmente dedurre che il banco di regia usato per il missaggio era di tipo PCM ed a bassa frequenza di campionamento.
Qualcuno tra gli audiofili meno pronti di riflessi potrebbe a questo proposito farsi una domanda del genere: “Per quale motivo ciò è rilevante?”.
In un forum di quelli ben frequentati la risposta arriverebbe corale, qui naturalmente la mettiamo noi: perché se verso il vino di una brocca grossa in una piccola ne perderò una parte, però la brocca piccola sarà piena, ovvero sarà ben sfruttata. Se invece faccio il contrario otterrò perdite nulle, ma anche un sottosfruttamento della brocca grande. Il Super Audio CD, così come i file DSD reperibili sul web, sono una “brocca” piuttosto “grossa”, molto più grossa del normale CD (qui non sottilizziamo sul modulatore usato, parliamo in termini generali). Ne consegue che se per “riempirli” uso una catena a risoluzione bassa o media, come può essere un banco di regia che opera a 44,1 oppure a 48 kHz, l’esito finale sarà un file che di sicuro contiene meno informazioni di quelle che potrebbe.
Ecco perché le case di produzione più attente alla qualità pubblicizzano l’impiego di workstation DXD (352,8 kHz, 24-32 bit) per ottenere file master di qualità altissima, da usare poi in downsizing per ottenere file DSD64 o 128. Da notare anche – visto che ci siamo – che se alla regia del suono c’è un tecnico accorto, capace di eliminare ogni possibile componente sonora spuria ad alta frequenza, allora fare dei master in formato DXD permette (lo abbiamo detto di sfuggita anche nella puntata precedente) di non usare il filtro antialias, che a detta di tanti potrebbe essere fonte di inquinamento sonoro.
Su questo semmai torneremo, ora invece vediamo cosa emerge dagli spettri dei 17 brani analizzati.
La situazione non è proprio tranquillizzante. Dei 10 Super Audio CD di classica, dai quali ci si aspetterebbe un’attenzione molto alta rispetto al parametro “qualità del suono”, ben 4 (classica 1-5-9-10), presentano un taglio ripidissimo appena sopra i 20 kHz, indice chiaro di una registrazione originale, o di un banco di regia, operante probabilmente a 48 kHz. Ammettiamolo con qualche riserva per classica 1 e 9, che sono pubblicazioni relative a registrazioni del 1994 e 1991, quando avere un banco di regia a 48 kHz/20 bit significava ancora disporre di alta tecnologia. Ma classica 5 e classica 10 sono registrazioni del 2006 e del 2011, e di scusanti non ne hanno. Nelle altre incisioni di classica il punto di convergenza tra rumore di fondo e spettro della musica (sorvoliamo per brevità su come l’abbiamo ottenuto), ovvero il limite superiore del contenuto musicale, varia tra 30 e 42 kHz, per cui si tratta di lavori fatti con cura, almeno sotto questo aspetto.
Questo aspetto però non è il solo ad emergere: in classica 4, ed in misura minore in classica 5 e classica 8, sopra il residuo del rumore svetta una bella riga a 15.625 Hz. Domanda retorica da audiofili duri e puri: ma come si fa a tenere acceso un monitor a CRT in una sala di regia e a non accorgersi che sta immettendo la sua frequenza di riga dentro la registrazione, sia pure a livelli relativamente bassi?
In classica 7 il segnale finisce drasticamente a 42 kHz, una caratteristica che permette di dedurre che il banco di regia, con altissima probabilità, operava a 96 kHz.
Per quanto riguarda il rock si osserva un piccolo paradosso, ovvero le 2 registrazioni più antiche (1971 e 1973) sono quelle meglio trasferite in termini di banda, mentre per le 2 più recenti sono stati usati registratori a 48 kHz. Rock 2 è uno dei capisaldi universali della musica moderna, fa quindi piacere che il punto di convergenza tra rumore e segnale sia collocato a ben 27 kHz. Più di questo, con la tecnologia di quarant’anni fa, non si poteva fare, e tanto è stato ripassato in DSD.
Classica 11-12-13 sono i demo di High Definition Tape Transfer, per i quali la stessa casa dichiara l’impiego di Weiss SaraCon. Dalla nostra analisi si può aggiungere che si tratta del modulatore SaraCon di ordine 8, quello (forse, è una nostra impressione) più equilibrato in termini di rapporto complessità/prestazioni.
Modulatori reali e risposta in frequenza
I 14 modulatori sigma-delta analizzati sono tutti lineari in banda audio, ma anche un segnale DSD a frequenza base (DSD64) può in teoria salire ben oltre i 20 kHz. I modulatori saranno tutti equivalenti anche sugli ultrasuoni oppure, come avviene per il rumore, a quelle altezze presenteranno comportamenti diversi?
La risposta giusta è la seconda. Nelle Figure da 20 a 33 vediamo lo spettro di un segnale multitono composto da 188 sinusoidi, tutte di identica ampiezza ed equispaziate in frequenza tra 1.000 e 95.500 Hz. Ovviamente un segnale DSD64 può in teoria salire ancora sopra, ma noi eravamo vincolati dalla massima frequenza PCM comune a tutti i programmi che implementavano i modulatori, pari a 192 kHz. La banda analizzata va da 0 a 120 kHz ed il range di ampiezza rappresentato è ampio 10 decibel. Ovviamente – vale la pena ricordarlo per chi non ha letto la prima puntata – tutto quanto pubblichiamo si riferisce ad analisi effettuate sul segnale DSD in forma nativa, non su una sua riconversione in PCM, ed è la prima volta che un’analisi del genere viene condotta.
Le differenze sono eclatanti. Si va dall’attenuazione monotonica di Korg Audiogate, che perde circa 0,2 dB a 40 kHz e 5,5 dB ad 80 kHz, al picco di risonanza di JRiver e SaraCon 10 (rispettivamente +2,5 dB a 64 kHz e +2,5 dB a 60 kHz). Tolto Audiogate, tutti presentano ondulazioni che vanno dal “trascurabile” al “rilevante”. I Philips sono quelli che consentono l’estensione maggiore, ed in quest’ottica assumono una loro ragion d’essere anche i “pre corrected”, che nella prima puntata abbiamo visto essere quelli in generale meno silenziosi e lineari. Il “pre corrected” di tipo C arriva però linearmente a 70 kHz, con un’ondulazione non maggiore di 0,15 dB.
Altro aspetto da indagare ed approfondire in futuro: solo Audiogate e JRiver non producono immagini, ovvero le righe riconoscibili nei loro spettri si fermano a 95.500 Hz, come da teoria. Negli altri, ove più ove meno, tali righe sono ravvisabili.
Ricordiamo che in letteratura sono reperibili lavori che attestano di forme di sensibilità del nostro sistema percettivo fino almeno ad una cinquantina di kHz. Naturalmente, atteso che ciò abbia un riscontro nell’ascolto di normale musica, occorre poi che gli altoparlanti siano in grado di arrivare a queste frequenze e che il loro posizionamento sia tale da farle giungere alle nostre orecchie (anche il migliore dei supertweeter è una sorta di “laser” in termini di direttività).
Banda passante in funzione del rumore
Un altro carattere dei modulatori sigma-delta di notevole interesse, ed in parte legato a quanto visto nel punto precedente, riguarda la loro disponibilità ad accettare segnali di ampia banda. Per inquadrare i termini del problema lo sintetizziamo nei seguenti punti:
- non si può convertire il segnale DSD senza applicare una filtratura passa-basso perché la potenza del rumore è enorme e brucerebbe subito i tweeter;
- dato che la curva del rumore cambia da modulatore a modulatore, applicando la stessa filtratura passa-basso si otterranno rapporti segnale/rumore diversi;
- se si applica una filtratura passa-basso si taglia la banda passante.
Di conseguenza, diventa interessante caratterizzare ciascun modulatore in termini di quanta banda passante permette in relazione ad un preciso limite di rapporto segnale/rumore.
La scelta del filtro è arbitraria, ma ovviamente gli allineamenti Bessel sono i più “audiofili” perché massimizzano la coerenza temporale. Occorre quindi solo decidere di quale ordine. Da quel che finora si è osservato nei player SACD, i filtri usati partono da ordini bassi, perché in qualche punto del suo percorso il segnale viene nettamente filtrato oltre un certo limite di frequenza (oltre i 100 kHz, comunque). Per “assimilare” questa condizione, ma al contempo produrre dei dati congruenti con lo scopo di cui sopra, abbiamo deciso di adottare un ordine Bessel piuttosto alto, ovvero l’ottavo. In questo modo la componente ultrasonica più elevata diventa molto meno rilevante di quella della banda di “transizione” (secondo la definizione data sopra, v. Fig. 34 relativa a Korg Audiogate).
Scelto il filtro, occorre fissare il livello di rumore cui riferire il calcolo della banda utile. L’unico criterio oggettivo è quello della sicurezza dei tweeter, e per determinarlo facciamo riferimento ad un finale da 300 watt ed a diffusori il cui tweeter non possa tollerare più di 1 watt RMS. Per non impegnarlo in modo significativo già a riposo, supponiamo che non debba arrivargli più di 0,1 watt di rumore. Ciò significa un S/N di 34,8 dB, che possiamo aumentare a 40 dB per includere quei casi estremi di amplificatori di potenza davvero molto elevata (che peraltro esistono e sono ben presenti in impianti di alto livello). Qualche altro dB va aggiunto per includere comportamenti imprudenti dell’utente, leggi “rotazione della manopola del volume oltre il livello utile ad ottenere la piena potenza con 0 dB di segnale digitale”. Diciamo che per stare tranquilli si può fissare un valore di 50 dB.

Valori di rapporto S/N in dB in banda 1,41 MHz applicando una filtratura passa-basso di Bessel di ordine 8. In alto e in colore rosso la frequenza di taglio applicata (in kHz).
In Tabella 2 vediamo i valori di rapporto segnale/rumore con il suddetto Bessel di ordine 8. Per 50 dB di rumore ultrasonico, quello che intrinsecamente permette la banda passante più ampia è il Philips pre corrected di tipo C, con oltre 60 kHz, seguito dalla sua versione “liscia” e poi da Audiogate e da un altro paio di Philips, con circa 57 kHz. Sul versante opposto, quello più limitante è il Philips pre corrected di tipo A, con circa 33 kHz, poi vengono i 2 SaraCon di ordine 8 e 10 con 38 kHz. JRiver si colloca a metà classifica con circa 43 kHz. Come si vede, tra i due estremi sussiste quasi un’ottava di distanza, ovvero un valore rilevante.
Il filtro analogico passa-basso di uscita è obbligatorio, ma non specificato. Sarebbe quindi utile che i costruttori di chip DAC DSD prevedessero un piedino sul quale leggere un segnale correlato all’andamento del rumore ultrasonico, in modo da permettere al progettista di realizzare dei passa-basso a frequenza/ordine variabili, così da poter estrarre il massimo delle informazioni audio potenzialmente immagazzinate nel segnale monobit.
Conclusioni
Questa monografia ha richiesto lo svolgimento di una notevole mole di lavoro, che però ha permesso di isolare ed evidenziare una serie di fenomeni molto interessanti, che abbiamo riportato, mentre altri sono stati solo intravisti e richiederanno probabilmente un approfondimento verticale. Intanto possiamo però redigere una serie di conclusioni parziali, ovvero:
- il DSD sta rapidamente conquistando gli appassionati del suono fedele in tutto il mondo, ma parlare di “suono DSD” tout court non ha molto senso. Che l’origine sia l’uscita in tensione di un microfono, oppure un segnale già codificato in PCM, per poter essere ascoltabile un segnale DSD deve essere ottenuto mediante un modulatore sigma-delta, ed i modulatori sigma-delta non solo sono abbastanza numerosi, ma soprattutto sono tra loro molto, molto differenti come prestazioni, molto più differenti di come potrebbero risultare delle intere catene di acquisizione-trasmissione di segnali in tecnologia PCM;
- chi realizza Super Audio CD o mette in vendita registrazioni in formato DSD dovrebbe, per quanto sopra dimostrato, avere la linearità intellettuale di specificare non solo con quale modulatore è stata effettuata la codifica, ma anche a quali trasformazioni è stato sottoposto il segnale in fase di editing. In teoria, una registrazione può anche nascere in formato monobit e non subire trasformazioni dopo la conversione AD, ma in pratica crediamo che ciò non avvenga quasi mai. Come è noto il DSD nacque come formato di archiviazione di file analogici già mixati e in questo modo si saltava una doppia conversione (andata e ritorno da multibit). Purtroppo la necessità di produrre album nuovi con le indispensabili operazioni di editing e mixaggio e la convenienza a commercializzare in più formati diversi impone di usare un PCM come formato di registrazione (per esempio il DXD) tornando così alla doppia conversione;
- essendo “inutile fare cose inutili”, un buon file DSD nativo andrebbe convertito in analogico lasciandolo DSD;
- essendo “inutile fare cose inutili”, un buon file PCM nativo andrebbe convertito in analogico con tecniche PCM.
di Francesco Romani e Fabrizio Montanucci
da AUDIOreview n. 359 gennaio 2015








































