I diffusori “made in Japan”, si sa non godono generalmente dei favori degli audiofili più attenti, che (fra gli stranieri), preferiscono i prodotti dei costruttori specializzati americani e inglesi.
Questa situazione non è certo considerata ottimale dalle grosse aziende giapponesi abituate a occupare i primi posti nella classifica vendite dei prodotti elettronici, dato che in questo modo perdono una fetta considerevole del fatturato potenziale. Le filosofie, le politiche, gli stratagemmi tecnologici messi in atto, chi prima chi poi, da tutti i più importanti marchi, non sono riusciti fino ad ora a ribaltare la situazione, anche se i modelli più impegnati ed esclusivi, nella progettazione dei quali sono stati profusi gli sforzi di una ricerca sempre più avanzata, sono comunque riusciti a conquistarsi delle sia pur labili posizioni nella graduatoria di reputazione degli appassionati più attenti.
Al contrario di molti suoi importanti e aggressivi colleghi, la Yamaha emerge da questo quadro non certo esaltante con una posizione privilegiata, conquistata grazie ad un comportamento coerente e serio che la accomuna molto più ai costruttori specializzati occidentali che ai suoi connazionali.
La immagine dei diffusori Yamaha è andata costruendosi infatti, lentamente ma sempre più solidamente, sulla reputazione di un unico modello, semplice nelle scelte di base e valido nelle prestazioni, mantenuto in produzione senza interruzione e senza modifiche per un lungo periodo di anni. Si tratta della famosa Yamaha NS 1000, di cui la FX-3 in prova è la degna sorella maggiore. Dopo avere determinato che la
soluzione delle membrane a cupola era la più sicura e dopo avere scelto le caratteristiche dei componenti in base ad una filosofia di progetto che prevede l’ottenimento di una elevata efficienza e un’alta potenza applicabile, ottimizzato il progetto e messo in produzione il modello, la Yamaha è rimasta ad aspettare ed i risultati, lentamente ma inesorabilmente sono arrivati.
Le cupole in berillio
Da quando esistono gli altoparlanti, i progettisti delle diverse case costruttrici sono alla ricerca del materiale ideale con il quale fabbricare le membrane dei vari trasduttori. Il materiale più tradizionale è la carta, che viene stampata con impasti di cellulosa la cui composizione può essere variata a piacere a seconda delle esigenze. Per le cupole del midrange e dei tweeter sono stati utilizzati i più svariati materiali, il più diffuso dei quali è una tela leggera impregna-ta prima o dopo dello stampaggio con sostanze impermeabilizzanti, indurenti, smorzanti o quant’altro si renda necessario per il particolare progetto. Alla ricerca di materiali che rendessero possibile un processo di formatura più semplice e/o più automatizzato, sia per consentire minori costi, sia una maggiore ripetibilità delle prestazioni, sono state sperimentate numerose sostanze plastiche, fra le quali sono stati individuati dei buoni surrogati della tela impregnata, già adottati da molti produttori. La Yamaha ha invece preferito sfruttare il suo enorme potenziale tecnologico per mettere a punto un metodo di formatura per deposizione sotto-vuoto di berillio, un metallo le cui costanti fisiche lo rendono particolarmente adatto alla realizzazione di cupole molto rigide e leggere. Il vantaggio di una cupola rigida consiste nel poter garantire, (ottimizzati che siano tutti gli altri parametri in gioco) una diminuzione della distorsione ai più alti livelli acustici ed un innalzamento della frequenza di Break-up della membrana.
Questi vantaggi, uniti alla leggerezza degli equipaggi mobili, consente la realizzazione di membrane di grande superficie capaci di una risposta lineare molto estesa, anche se rimane il problema della dipendenza della dispersione dalle dimensioni della sorgente, che nel caso dei tweeter non potrà mai essere aumentata eccessivamente.
La costruzione
La FX-3 è costruita in modo superbo, rispettando tutti i migliori canoni di robustezza dei diffusori professionali.
Non altrettanto può dirsi dell’estetica, certamente un po’ pesante, e della minimizzazione della diffrazione, dato che il pannello frontale è circondato da una robusta cornice sporgente.
Il legno utilizzato è truciolare spesso 27 mm e il mobile è irrigidito con numerosi e ben disposti rinforzi interni. L’assorbente acustico è lana di vetro di pochi cm di spessore fissata su tutta la superficie interna.
Gli altoparlanti sono dei veri capolavori, dotati di strutture portanti in alluminio e sovradimensionati in tutto. Il woofer da 38 cm ha una bobina mobile da 100 mm ed un magnete da 200 mm di diametro; la cupola copripolvere ed il cono sono in cartone molto rigido; il midrange con cupola in berillio ha un diametro di ben 75 mm ed un magnete da 160 mm. Il tweeter è da 1 pollice (2,54 cm). Sia il midrange che il tweeter sono dotati di reti di protezione e di rifasatori metallici, che svolgono anche una funzione di protezione contro urti accidentali di violenza superiore alle capacità di resistenza delle reti.
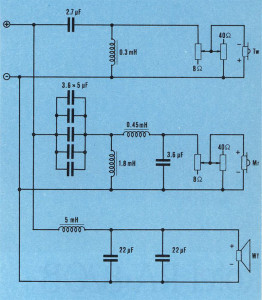
Il crossover è montato in bell’ordine su un supporto in plastica che accoglie gli ingressi ed utilizza condensatori elettrolitici e bobine con nucleo in ferrite. Sono presenti due attenuatori L-Pad (ad impedenza costante) fissati sul pannello frontale. La configurazione del filtro è molto convenzionale, con tutte celle a 12 dB/ottava e senza alcun resistore oltre gli attenuatori.

Gli altoparlanti della Yamaha FX-3 sono un esempio di esercitazione tecnologica pienamente riuscita. Midrange e tweeter con cupole in berillio sono gli stessi utilizzati anche per il modello NS-1000; il woofer ha 38 cm di diametro ed è caratterizzato da una distorsione molto contenuta. Il filtro è montato su un supporto stampato in materiale plastico che accoglie i vari componenti, collegati fra loro con cablaggio manuale.
Le misure
Risposta in ambiente molto estesa, con il terzo d’ottava a 31,5 Hz a livello del resto della gamma. Nella rilevazione in posizione standard la distanza ravvicinata del microfono (2,5 metri) determina una imperfetta somma della emissione di midrange e tweeter alla frequenza di incrocio; effettuando l’ascolto da distanze maggiori questo fenomeno non si manifesta. Per evidenziare la risposta corretta abbiamo effettuato la rilevazione anche con i diffusori inclinati leggermente all’indietro per orientarne l’emissione verso il microfono e il risultato è riportato nella curva in basso del grafico 1. In entrambe le rilevazioni è presente una certa enfasi della gamma intorno ai 200 Hz. Nel grafico 2, rilevato con i diffusori funzionanti singolarmente, si nota come la risposta a 30° del diffusore destro mostri una sensibile attenuazione della citata enfasi che quindi è da mettere in relazione con le caratteristiche di interfacciamento delle FX-3 con l’ambiente e non si presenterà necessariamente in tutte le installazioni. L’incrocio fra i componenti è attuato a 500 e a 4000 Hz. Le distorsioni sono tutte estremamente contenute; ad eccezione della seconda armonica, che raggiunge lo 0,3% a 3 kHz e lo 0,7% sopra i 6 kHz, tutte le distorsioni hanno valori tipici compresi fra lo 0,1% e lo 0,2%!
Il modulo dell’impedenza ha il minimo di 5,6 ohm a 2 kHz,, mentre a 125 Hz si mantiene sui 6,4 ohm. L’argomento ha una rotazione massima capacitiva di circa 70° a 50 Hz. La Time Energy mostra un certo numero di picchi secondari ed un decadimento leggermente prolungato, ma ha in ogni caso un andamento nella media. Grafico di MIL eccezionale alle basse frequenze con potenze applicabili sempre superiori ai 100 watt già a partire dai 40 Hz. Buono il comportamento sul resto della gamma.
L’ascolto
II suono delle FX-3 può essere definito in una sola parola e con sufficiente completezza: emozionante.
Ricorderò sempre le parole di un mio amico statunitense convinto che al di là di tutte le motivazioni logiche, tecniche, e di convenienza, un diffusore andrebbe acquistato solo se ascoltandolo con la propria musica preferita si “… sente accapponarsi la pelle”. E questa è precisamente la sensazione che in alcuni momenti dell’ascolto delle FX-3 ha provato il sottoscritto, che ama considerarsi, nonostante tutto, ancora un audiofilo convinto.
Non è facile riferire della sensazione di potenza e precisione al tempo stesso, specie nei transienti con un forte contenuto di basse frequenze, o della ottima definizione e di un suono “monitor” per nulla affaticante.
Non che queste Yamaha siano del tutto prive di difetti, quale diffusore non ne ha? La gamma medio bassa appare a volte un poco invadente ed il controllo del tweeter è preferibile al massimo; la gamma media a volte è un po’ fredda e la grandiosità del l’insieme rischia in alcuni casi di essere di troppo, specie quando i cantanti o certi strumenti solisti sembrano dilatarsi alle dimensioni del pannello del diffusore, ma il risultato è sempre tremendamente musicale, non per niente la Yamaha produce anche pianoforti. La caratteristica che rimane più impressa anche dopo alcune ore di ascolto e numerosi confronti è la precisione timbrica, quasi fuori luogo in un diffusore di tale capacità dinamica, e la definizione del messaggio sonoro nei transienti.
Credo che siano stati in molti, fra i redattori di AUDIOreview trovatisi presenti durante la prova di ascolto, a pensare quasi inconsciamente in quale stanza della loro abitazione avrebbero potuto trovare posto queste Yamaha, certo non belle, ma per molti versi affascinanti.
Renato Giussani
Costruttore: Nippon Gakki CO., LTD. Hamamatsu, Giappone.
Distributore per l’Italia: Italaudio Via Montebello, n. 32A Legnano (MI)
Prezzo: L. 2.850.000 cadauna.
CARATTERISTICHE DICHIARATE DAL COSTRUTTORE
- Tipo: bass-reflex a 3 vie da pavimento.
- Altoparlanti: woofer a cono 0 36 cm;
midrange a cupola in berillio 0 88 mm;
tweeter a cupola in berillio 0 30 mm. - Massima potenza sopportabile: 100 W
- Sensibilità: 91 dB/1 W/l m.
- Risposta in frequenza: 30÷20.000 Hz.
- Impedenza nominale: 8 ohm
- Frequenze di taglio: 600 Hz, 6 kHz.
- Controlli di livello: midrange e tweeter.
- Dimensioni: 588 x 867 x 442 mm (LxAxP).
- Peso: 62 kg.
Questo articolo è stato pubblicato su AUDIOreview n. 28 nel maggio del 1984
In precedenza, questi diffusori, erano stati menzionati sui numeri 17 e 19 di cui riportiamo le foto:
AUDIOreview n. 19:
ACOUSTAT, FM ACOUSTICS, RADFORD: 102 PROVE DI INTERFACCIAMENTO
A ciascuna delle 105 combinazioni (comprese quelle con la resistenza da 8 ohm) di questa tabella corrisponde un blocchetto di 4 righe.
La prima indica il minore tra i massimi valori di tensione di uscita indistorta fatti registrare da quell’amplificatore con quella cassa, nell’intervallo di frequenze compreso tra 100 e 2.400 Hz.
La seconda riga si riferisce alla frequenza in corrispondenza della quale quel minimo e stato rilevato; può essere considerata la frequenza più critica per la combinazione in oggetto. La terza riga contiene il dato di potenza su 8 ohm corrispondente al dato di tensione riportato nella riga 1; si tratta di un numero del tutto convenzionale (per questo viene riportato in colore) che consente di passare dai poco intuitivi termini di “volt” ai più comprensibili anche se meno significativi termini di “watt su 8 ohm”, nei quali si è abituati a ragionare. Questo dato sarebbe reale solo se l’impedenza della cassa, a quella frequenza, fosse esattamente 8 ohm.
La quarta riga si riferisce al corrispondente livello di pressione sonora della combinazione, calcolato a partire dalla sensibilità della cassa, rilevata in ambiente e con due esemplari in funzione, come di consueto nelle prove di AUDIOreview.
In corrispondenza di alcune combinazioni, al posto del blocchetto di quattro righe è presente un asterisco: questo significa che la misura è stata interrotta, anche ad una sola delle frequenze di prova, prima che l’ampli giungesse alla saturazione, per evitare che la cassa venisse
danneggiata. Quindi l’asterisco significa: amplificatore troppo potente per quella cassa.




