La ESB di Aprilia è un azienda che, pur avendo deciso di limitare il suo settore di interesse agli altoparlanti, mira ad occupare sul mercato italiano e internazionale una posizione di importanza sempre crescente grazie all’impegno rivolto a soddisfare il maggior numero possibile di esigenze connesse alla utilizzazione di sistemi acustici di qualità. Avendo ben presente che la enorme varietà delle condizioni al contorno permette di definire di volta in volta come ottimali le soluzioni progettuali più disparate, la ESB ha deciso di produrre isstemi di altoparlanti suddivisi in diverse serie. Tali da poter soddisfare al meglio quante più possibile situazioni particolari. Questo è il motivo per cui nel suo cataglogo si possono trovare a tutt’oggi ben sette serie diverse di sistemi acustici che vanno dal diffusore da pavimento utilizzante du ewoofer da 46 cm di diametro, driver medie frequenze a compressione con tromba in legno da 65 cm di apertura e tweeter ad anello, alla piccola XL-3 per uso domestico di basa potenza.
Nella produzione ESB si trova oggi anche un sistema per auto di alte prestazioni, dotato di woofer da 20 cm e la stessa unità medio-alti con midrange e tweeter a cupola morbida utilizzata nel modello 7/09. Quest’ultimo poi fa parte della serie che più di ogni altra si identifica con la immagine ESB degli anni ’80: la Serie 7, caratterizza ta dalla esclusiva emissione DSR. Grazie alla applicazione di alcuni principi di acustica ambientale e di psicoacustica ed alla attenzione rivolta, per la prima volta al mondo, più al vettore Intensità acustica che alla pressione, la Serie 7 è riuscita a riscuotere un notevole successo presso gli audiofili più attenti, sia in Italia che negli Stati Uniti. Il modello 2007 DCM in prova fa parte di una nuovissima serie che la ESB sta introducendo proprio in questi giorni sul mercato; si tratta quindi di una presentazione cui non può essere certo negato il pregio della tempestività.
La serie in oggetto si chiama Serie 2000 DCM e comprende quattro diffusori destinati all’uso professionale, più un subwoofer ad alta efficienza di dimensioni molto contenute. La sigla “DCM” sta per Digital Control Monitor, e si spiega praticamente da sola.
Una serie professionale
Quando un apparecchio viene definito professionale, normalmente si intende che sia espressamente studiato per essere utilizzato nell’esercizio di una particolare professione. Se si tratta di un diffusore acustico però, le categorie di professionisti che possono essere chiamate in causa sono parecchie e caratterizzate a volte da esigenze molto diverse fra loro. Ad esempio, gli esercenti di sale cinematografiche hanno bisogno di altoparlanti ben diversi da quelli necessari ad un tecnico del suono per monitorare una ripresa appena effettuata in esterni; un gruppo di musicisti che debba sonorizzare un grande auditorio o uno stadio, non avrà le stesse esigenze di un fonico che effettui il missaggio di un sedici piste su un nastro master; gli esempi potrebbero continuare con le colonne da
chiesa e gli altoparlanti per le stazioni ferroviarie, ma per tornare all’argomento di nostro interesse, la Serie 2000 della ESB è prevista per essere utilizzata da tutte quelle persone che per professione hanno bisogno di disporre di diffusori di alta qualità, alta efficienza e capaci di digerire alte potenze in mobili di dimensioni contenute.
È importante sottolineare che la cura posta nella scelta e nella progettazione dei componenti è stata rivolta dalla ESB in primo luogo all’ottenimento di un buon livello di sensibilità ed a caratteristiche di carico relativamente facili, in unione a prestazioni “timbriche” degne dei migliori prodotti già a catalogo e non, come qualcuno potrebbe sospettare, alla costruzione di piccoli mostri da discoteca, uso per il quale la Serie 2000 è viceversa sconsigliata. La destinazione naturale di questi diffusori è, come lo stesso nome dice chiaramente, quali Control Monitor per sale di regia di studi di registrazione e sale controllo di reti di radio e telediffusione; il che ovviamente non esclude utilizzazioni amatoriali di un certo impegno.
Il modello 2007 DCM in prova è un diffusore a tre vie con caricamento del woofer in sistema reflex e midrange e tweeter a cupola morbida. Come tutti gli altri modelli della serie è prevista la possibilità di alimentare il sistema in bi-amplificazione, nel qual caso la potenza installabile che con un amplificatore solo può raggiungere un massimo di 220 watt per cassa, diventa di 100 watt per la via bassi e 60 watt per la via alte frequenze.
Il vantaggio evidente per chi si trovi nella necessità di migliorare un sistema preesistente è quello di poter continuare ad utilizzare il “vecchio” amplificatore per una delle due vie, essendo “costretto” a compe-rare un finale di potenza ben inferiore ai 220 watt necessari per ottenere le massime prestazioni in amplificazione singola, con la sola spesa aggiuntiva di un crossover elettronico esterno (che la ESB renderà disponibile in un secondo tempo) raccogliendo in più tutti i vantaggi della multiamplificazione.
La costruzione
La costruzione della 2007 è decisamente di livello elevato. Il mobile è in truciolare da 20 mm rivestito in noce naturale e rinforzato da nervature interne disposte opportunamente. Il pannello frontale è formato da due fogli accoppiati di cui quello esterno ad alta densità, per uno spessore totale di 21 mm ed è trattato con la resistentissima vernice Nextel della 3M, utilizzata in campo professionale da alcuni altri costruttori fra cui la Revox.

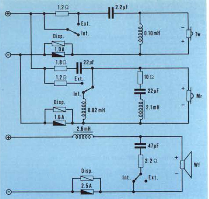
Sul pannello posteriore trovano posto due coppie di morsetti di ingresso, da utilizzarsi separatamente per la biampli/ìcazione. Utilizzando un cross-over elettronico, a monte dei finali, il selettore andrà posto sulla posizione BIAMP.
Il woofer ha il copripolvere in tela non trattata per permettere un ricambio dell’aria che raffredda la bobina mobile; il cestello in lamiera è rinforzato dalla applicazione di una flangia in alluminio pressofuso che garantisce una maggiore rigidità all’insieme. Midrange e tweeter sono riuniti su una unità medio-alti dalla caratteristica forma ad otto che contraddistingue questo componente esclusivo ESB, dotata in questa nuova versione di sub-flange di carico di midrange e tweeter e di reti di protezio
ne. Il midrange ha il magnete in Alnico V, una rarità ormai anche in campo professionale a causa del suo alto costo, ma che gli consente di raggiungere una sensibilità di ben 94 dB lW/lm. Il tweeter è dotato di
olio magnetico. È previsto un fusibile di protezione per ciascun altoparlante, corredati di led che ne indicano l’avvenuto intervento. Sul pannellino posteriore trovano posto due coppie di morsetti (che nell’uso normale sono connessi fra loro con Shunts) ed un commutatore per selezionare il modo biamp
con crossover esterno. Il filtro interno può essere utilizzato anche in biamplificazione semplicemente togliendo i ponticelli fra i morsetti, ma il vantaggio maggiore si ha con il filtraggio elettronico a monte dei finali, nel qual caso il commutatore provvede anche ad escludere la attenuazione del gruppo midrange-tweeter riducendo di circa 2,5 dB la potenza necessaria a trattare la parte medio-alta dello spettro audio.
Tutte le celle del filtro interno prevedono resistenze di smorzamento ed in più l’impedenza del midrange è compensata da un apposito gruppo RLC.
Le misure
Efficienza elevata, sia in assoluto che in relazione alle dimensioni. Risposte in ambiente estese dalla gamma bassa in buona evidenza sia ad altezza d’orecchio che su base ESB a 24 cm da terra; leggermente in evidenza la gamma affidata al midrange, fra i 1000 e i 5000 Hz. Il grafico 2 mostra un buon accoppiamento dei due diffusori e dispersione del tweeter nella media. L’incrocio fra i componenti avviene in ambiente a circa 900 e a 8000 Hz. Risposte in camera anecoica estese e regolari e distorsioni molto contenute in tutte le rilevazioni.
La seconda armonica rilevata per 90 dB di livello acustico è tipicamente inferiore allo 0,3% e raggiunge valori prossimi all’1 % solo sotto ai 100 e sopra ai 10.000 Hz; la terza armonica e la differenza di frequenze sono sempre inferiori allo 0,5%. Il modulo dell’impedenza ha il minimo di 4,2 ohm a 15 kHz, mentre il minimo “critico” fra i 100 e i 200 Hz è di 5 ohm a 130 Hz. Le rotazioni di fase sono contenute. Time Energy molto buona. Grafico di MIL ben sostenuto alle frequenze più basse, crescente gradualmente con la frequenza senza discontinuità fino al massimo valore di prova al di sopra dei 2000 Hz.
L’ascolto
Ho effettuato il primo ascolto della seduta dedicata alla prova di AUDIOreview ascoltando le 2007 DCM a confronto delle ESB 7/09.
L’ambiente mi è abbastanza familiare, ma era la prima volta che ascoltavo questi diffusori insieme in questa installazione. Non so quanti siano interessati ai risultati di un simile confronto, ma, dato che i componenti utilizzati sono per certi versi all’aspetto esterno piuttosto simili ed anche le dimensioni di ingombro non sono molto differenti, mi interessava verificare “sul campo” le differenze esistenti fra un modello che ha ottenuto e sta ottenendo dalla sua vita di mercato una certificazione di qualità da parte di vaste schiere di appassionati del suono timbricamente più corretto e questo nuovo diffusore dalla vocazione “Monitor”. Ebbene, la caratteristica che differenzia maggiormente i due modelli (oltre al DSR) è la efficienza: la 2007 “suona più forte”. In effetti la 7/09 ha una gamma bassa un poco più profonda ed un medio basso più leggero, anche il DSR fa sentire la sua benefica influenza conferendo al fronte sonoro una spaziosità enorme, ma per contro la 2007 è veramente monitor: la timbrica è sostanzialmente simile, aperta, pulita, ma i piani sonori sono ravvicinati e un piacevole effetto presenza
porta i solisti in primo piano.
Effettuando le commutazioni compensando i livelli molte differenze sfumano, anche se la 7/09 conserva un suono più controllato; per contro il basso del Reflex appare ben smorzato e ciò che viene perso in grandiosità della scena acustica viene riacquistato in precisione dei particolari dei transienti, specie ad alto livello. In conclusione la 2007 non tradisce la definizione di Control Monitor che la ESB ha voluto riservarle, ma con un occhio di riguardo alla timbrica che certi prodotti “professionali” a volte non hanno: lavorare con il suono può anche essere molto piacevole.
Renato Giussani
Costruttore: ESB SpA Via della Meccanica, 14 04011 Aprilia (LT) Tel. (06)9207451.
Distributore per l’Italia: ESB SpA.
Prezzo: L. 750.000 cadauna
CARATTERISTICHE DICHIARATE DAL COSTRUTTORE
- Potenza: ampi, singolo 220 + 220 W RMS; bi-amp. 100+100/60 + 60 W RMS.
- Tipo di sistema: bass reflex.
- N. vie: 3.
- Woofer: mod. W2265; diametro 250 mm.
- Midrange: mod. D243; diametro 43 mm; cupola morbida.
- Tweeter: mod. D225; diametro 25 mm; cupola morbida, olio magnetico.
- Impedenza nominale: 8 ohm.
- Sensibilità: 90 dB (2,83 V/l m).
- Frequenze d’incrocio: 800 e 8000 Hz.
- Risposta in freq.: 35÷22.000 Hz.
- Protezione: fusibili per woofer (2,5 A), midrange (1,6 A) e tweeter (1,0 A).
- Dimensioni: 34,5 x 59 x 30 cm (LxAxP).
da AUDIOreview n. 28 maggio 1984

